



0-10 volt LED dimmer - instelbaar 12v/24v - 4 in 1
Beschikbaar in de winkel
Sluiten- Voor 14:00 uur besteld, dezelfde dag verzonden*
- Eigen magazijn en servicebalie
- 1 tot 10 jaar garantie op verlichting
- Afhalen in ons magazijn direct mogelijk
Uw winkelwagen is leeg




Beschikbaar in de winkel
Sluiten







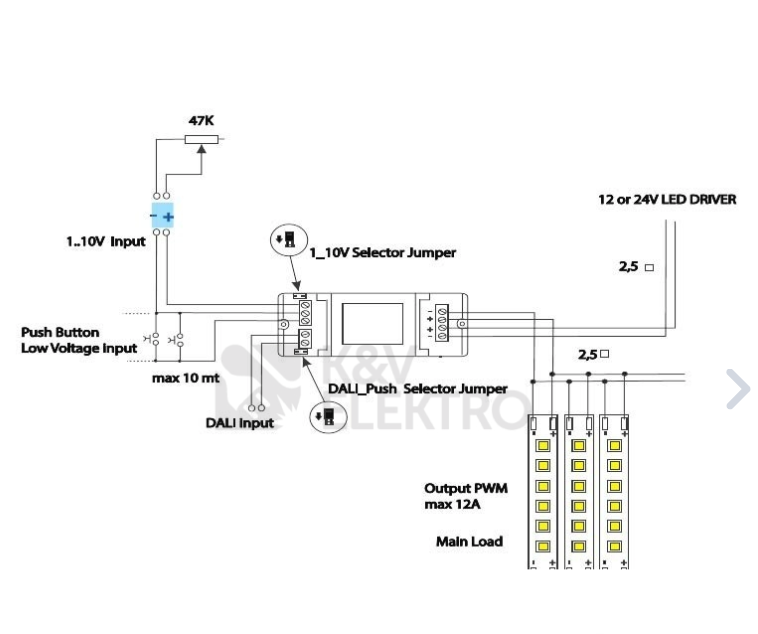
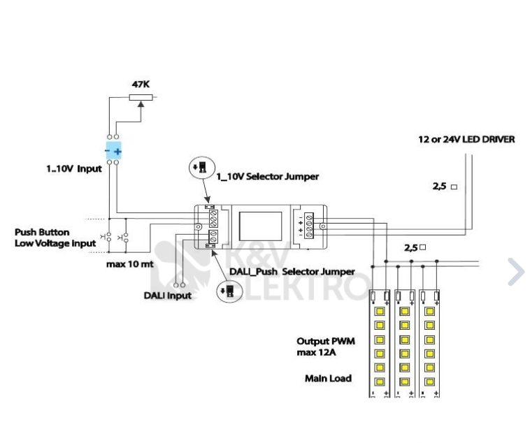
Bent u op zoek naar een 0-10 volt LED dimmer dan is deze dimbare LED dimmer precies wat u nodig heeft. Met deze 0-10 volt LED dimmer kunt u ieder type LED verlichting dimmen, let hierbij wel op dat de verlichting zelf ook dimbaar is.
Deze LED dimmer werkt in combinatie met al onze LED strip of het nu om 12 of 24 volt LED strips gaat. De keuze in dim systemen zoals wanddimmers, opbouwdimmers, inbouwdimmers en bijvoorbeeld draaidimmers is enorm. Gebruik dus uw bestaande systeem. Het grote voordeel van deze dimmer is dat er meerdere dimbare type kunnen worden gebruikt in combinatie. U kunt op deze dimmer de volgende dim systemen toepassen.
Wat heeft u nodig om deze dimmer te gebruiken 1) Een LED driver in 12 of 24 volt 2) Een LED lichtbron , dit kan een dimbare LED Lamp of LED strip zijn. 3) Een bedrade dimmer (bestaand of nieuw aan te schaffen) Technische specificaties van deze LED dimmer.
| OUTPUT MODE | CV |
|---|---|
| Output | 288W |
| Voltage / werkspanning | 12V, 24V |
| Beschermingsklasse | IP20 |
| Output voltage | 12V, 24V |
| Werkt in combinatie met | 0-10V, 1-10V, Dali, Push |
Toon meer
Er zijn nog geen reviews geschreven over dit product..